FRP/GRP fiberglass flange, manhole flange BELL COMPOSITE is able to design, manufacture and supply A wide range of fittings as elbows, reducers, tees, caps, flanges.laterals U-turns etc. Fittings are manufactured by the hand lay-up, contact molding and spray-up process. In hand lay-up ......
FRP/GRP fiberglass flange, manhole flange
BELL COMPOSITE is able to design, manufacture and supply A wide range of fittings as elbows, reducers, tees, caps, flanges.laterals U-turns etc.
Fittings are manufactured by the hand lay-up, contact molding and spray-up process. In hand lay-up and contact molding processes veil and alternate layers of mat and woven roving saturated with resin are applied on the mold. In spray-up process continuous strand roving is fed through a chopper gun, combined with catalyzed resin, and sprayed onto the mould surface.
Prefabricated spools save installation time as well as costs, freeing the designer from being limited to standard fittings and allowing junction sizes shapes to be specified and manufactured as a better alternative to a complex series of joints.

SIZES standard: ASME Sec. X, ASME RTP-1, ASTM D3299, and PS 15-69
Press standard: 50psi, 100psi, and 150psi
Resin standard: Ashland Hetron 922 resin, Derakane 411-350, Derakane 470-300, Swancor 901 and
Ripoxy R802, Atlac 430
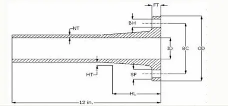
DEATILS:




Fiber Glass, Anti-Slip Light Weight FRP/GRP Gratings for Chimney
Factory Price Oil Resistant FRP Pultruded Grating
FRP Fiber Pultrusion Grille with American Standard
Trade Assurance GRP Grating Sheet/FRP Grating/FRP Grating Price
RV FRP Pebbled Panel
Embossed Finish Texture Fiberglass Board with Anti-UV Gelcoat